На склад МТ-Системс поступили образцы АЦП NP213282AQFP64 от компании Napusemi
Так как NP213282AQFP64 является полной заменой ADS131E08, в реализованных проектах он может быть установлен на печатную плату без её переработки. Для новых проектов могут быть предоставлены отладочные платы со всей необходимой документацией, что, в свою очередь, упростит разработку устройства.
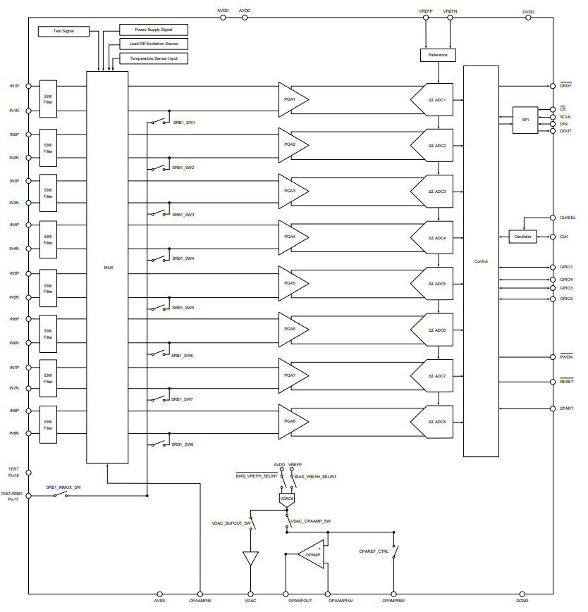
Функциональная схема NP213282AQFP64:

Доступные парт номера для заказа:
|
Позиция |
Количество каналов |
Разрешение, бит |
Рабочий температурный диапазон, °C |
Корпус |
Класс |
Аналог |
Наличие на складе |
|
NP213242AQFP64 |
4 |
24 |
−40°C до 105 |
QFP-64 |
Industrial |
ADS131E04 |
Нет |
|
NP213262AQFP64 |
6 |
24 |
−40°C до 105 |
QFP-64 |
Industrial |
ADS131E06 |
Нет |
|
NP213282AQFP64 |
8 |
24 |
−40°C до 105 |
QFP-64 |
Industrial |
ADS131E08 |
Да |
Основные характеристики NP213282AQFP64:
• 8 дифференциальных входов;
• Разрядность 24 бита;
• Напряжение питания от 3 до 5 В;
• Скорость передачи данных до 64 kSPS;
• SPI;
• Рабочий температурный диапазон: от −40°C до 105°C;
• Корпус QFP-64.
Для запроса образцов и технических консультаций просьба обращаться к нашим специалистам по телефону +7 (812) 325-36-85 или по электронной почте semi@mt-system.ru
|
Оформите заявку на сайте, мы свяжемся с вами в ближайшее время и ответим на все интересующие вопросы.
|
Написать сообщение
|
| Курс на сайте | ||
| $1 | = | 1 ₽ |
| Курс ЦБ РФ | ||
| $1 | = | 77.833200 ₽ |


