Цифровые изоляторы шины I2C от HopeRF
Двунаправленная двухпроводная синхронная последовательная шина I2C требует наличия всего двух проводов (линия данных SDA, линия синхронизации SCL). Она может использоваться для подключения одного ведущего (хоста) и нескольких ведомых устройств или нескольких хостов и нескольких ведомых устройств для обеспечения быстрой и надёжной передачи данных между несколькими устройствами. Благодаря таким преимуществам, как простота схемы, экономичность и лёгкость реализации, этот интерфейс широко используется для связи на коротких расстояниях между интегральными схемами внутри платы или между платами.

Рис. 1 Структура шины I2C
Обычно в принципиальной схеме, использующей шину I2C, каждая функциональная микросхема имеет один общий источник питания, а расстояние между узлами шины очень мало, поэтому разница потенциалов на земле очень незначительна. Это позволяет избежать проблем, связанных с общей петлёй заземления между платами, шумовыми помехами и т. д., а также не требует электрической изоляции.
Однако бывают случаи, когда узлы шины I2C имеют разные питающие напряжения. В этом случае необходимо добавить меры по электрической изоляции, чтобы отделить хост I2C от одного или нескольких ведомых устройств. Это повысит устойчивость шины к помехам, решит проблему шума, заземления и защиты цепей и в то же время будет соответствовать отраслевым требованиям безопасности.
Обмен данными по шине I2C при наличии электрической изоляции имеет ряд существенных преимуществ. Например, в некоторых сложных системах из-за наличия разных доменов напряжения, а также наличия нескольких независимых модулей, основному процессору необходимо поддерживать связь в режиме реального времени с датчиками системы, памятью EEPROM и накопителями, а также с другими независимыми модулями для межплатной связи по I2C.
Благодаря мерам по обеспечению электрической изоляции между основным процессором и независимыми модулями можно не только изолировать путь прохождения помех, возникающих в процессе переключения внешних силовых устройств, повысить точность выборки данных с датчиков, но и устранить контур заземления, тем самым повысить отказоустойчивость системы и реализовать возможность «горячего» подключения цепей, что значительно повышает целостность передачи данных и безопасность работы системы при совместной работе нескольких модулей.
Кроме того, в системе, использующей шину I2C, при измерении температуры, силы тока и других слабых сигналов с помощью датчика на базе высокоточного АЦП-преобразователя, необходимо принять меры по электрической изоляции между микропроцессором и высокоточным АЦП, чтобы избежать влияния на точность измерений перекрестных помех в источнике питания и микропроцессорных шумов на высокоточные аналоговые схемы.
Цифровой изолятор I2C — это интегральная схема, предназначенная для изоляции различных узлов, находящихся на шине I2C. Основная ценность цифрового изолятора I2C заключается в том, что он обеспечивает электрическую изоляцию между двумя электрическими системами, блокирует путь постоянного тока между ними и гарантирует нормальную передачу сигналов связи I2C (тактовых сигналов SCL и данных SDA) при условии обеспечения временных характеристик протокола I2C и целостности сигнала.
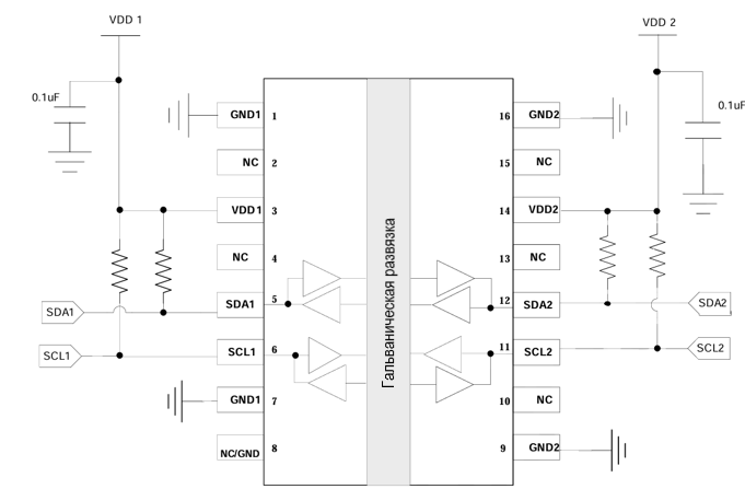
Например, линейка CMT810x, разработанная компанией HOPERF, представляет собой серию высоконадежных двунаправленных цифровых изоляторов I2C на основе технологии емкостного барьера. Как показано на рисунке ниже, они имеют простую периферийную схему и требуют только питания от несимметричного источника и подключения подтягивающего резистора к цепям I2C, чтобы обеспечить механизм управления с открытым стоком и изоляцию шины.

Рис. 2 Подключение цифрового изолятора I2C
Цифровой изолятор I2C серии CMT810x соответствует стандартам AEC-Q100, правилам безопасности UL1577, поддерживает различные напряжения электрической изоляции (3,75 кВ, 5 кВ) и в то же время в условиях малого энергопотребления обеспечивает высокую степени электромагнитной устойчивости и низкие показатели паразитного излучения.
Цифровые изоляторы серии CMT810X поддерживают тактовую частоту I2C до 2 МГц и устойчивость к переходным процессам в синфазном режиме (CMTI) до 150 кВ/мкс. Широкий диапазон напряжения питания устройств серии CMT810X позволяет напрямую подключать их к большинству цифровых интерфейсов для плавного переключения уровней. Высокие показатели электромагнитной совместимости на системном уровне также повышают надежность и стабильность работы устройства.
Интерфейс I2C внутри CMT810X семейства устройств разделен на два однонаправленных канала, каждый из которых взаимодействует с другим в противоположных направлениях через выделенный емкостно-изолированный канал. Цифровой сигнал модулируется радиочастотной несущей, генерируемой внутренним генератором на стороне передатчика, которая затем передается через емкостно-изолирующий барьер и демодулируется на стороне приемника.

Рис. 3 Внутренняя структура одного канала CMT810X
HopeRF выпускает в рамках линейки CMT810X два семейства:
- CMT8100N/WH — это высоконадежный двухканальный двунаправленный изолятор для тактовых линий и линий данных;
- CMT8101N/WH — это изолятор с двунаправленными каналами данных и однонаправленными тактовыми каналами.
CMT8100N/WH подходит для приложений с несколькими хостами, а CMT8101N/WH — для приложений с одним хостом.
Логический уровень Side2 устройств серии CMT810X - стандартное значение I2C с максимальной нагрузкой ≤400 пф с обеих сторон. Поэтому несколько устройств CMT810X, подключенных к шине через вывод Side2, могут взаимодействовать друг с другом, а также с другими устройствами, совместимыми с I2C.
Логический уровень Side1 в линейке CMT810X не соответствует стандартному значению I2C. Низкий выходной уровень CMT810X составляет 650 мВ, а порог между низким выходным напряжением и высоким входным напряжением составляет 50 мВ, что предотвращает передачу низкого логического уровня Side1 обратно на Side2 и захват шины I2C.
Заглядывая в будущее, можно сказать, что с быстрым развитием промышленной связи и Интернета вещей цифровой изолятор I2C, являющийся одним из важных компонентов, обеспечивающих качество связи по шине I2C и её безопасную работу, будет продолжать развиваться в направлении более высокой интеграции, надёжности и производительности, открывая новые возможности для развития.
По вопросам приобретения и технических консультаций просьба обращаться к нашим специалистам по телефону +7 (812) 325-36-85 или по электронной почте semi@mt-system.ru


